Vòng Bi SKF 22322 E/C3

Cập nhật cuối lúc 14:29 ngày 10/10/2025, Đã xem 1 649 lần
Liên hệ
Model: 22322 E/C3
Hãng sản xuất: SKF
Bảo hành: 12 tháng
Tình trạng: Liên hệ

Vòng bi SKF 22322 E/C3 – Vòng bi tang trống hai dãy chất lượng cao

1. Thông số kỹ thuật sản phẩm

Vòng bi tang trống tự lựa SKF 22322 E/C3

Hình ảnh vòng bi tang trống tự lựa SKF

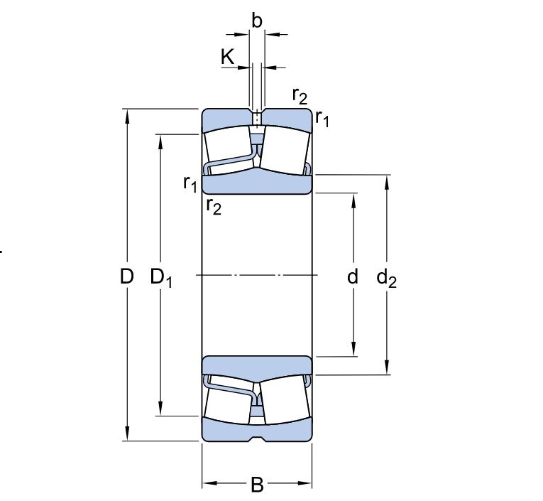
Kích thước vòng bi tang trống SKF 22322 E/C3

Kích thước vòng bi tang trống SKF

Các bộ phận trong vòng bi tang trống SKF

Các bộ phận trong vòng bi tang trống SKF

  • Mã sản phẩm: SKF 22322 E/C3
  • Chủng loại: Vòng bi tang trống hai dãy tự lựa
  • Kiểu thiết kế: Dạng tự lựa, hai dãy con lăn hình tang trống, khe hở lớn C3
  • Khả năng chịu tải: Rất lớn, cả tải trọng hướng kính và dọc trục
  • Đặc tính nổi bật: Hoạt động bền bỉ, tự lựa tốt, phù hợp môi trường rung động mạnh, tải nặng

2. Ưu điểm nổi bật của vòng bi tang trống SKF 22322 E/C3

  • Chịu tải trọng hướng kính và dọc trục cực lớn, phù hợp cho các thiết bị tải nặng, rung động mạnh.
  • Khả năng tự lựa tuyệt vời, giúp vận hành ổn định ngay cả khi trục bị lệch hoặc vỏng.
  • Độ bền vượt trội nhờ chất liệu thép hợp kim tinh khiết và công nghệ SKF Explorer.
  • Giảm độ rung, giảm tiếng ồn, tăng tuổi thọ thiết bị.
  • Khả năng chống nhiễm bẩn, chịu mài mòn cao, làm việc tốt trong môi trường khắc nghiệt.
  • Hoạt động ổn định ở tốc độ cao, giảm chi phí bảo trì, tăng hiệu quả kinh tế.

3. Ứng dụng của vòng bi SKF 22322 E/C3 trong công nghiệp

  • Hộp giảm tốc, bơm công nghiệp, quạt công suất lớn
  • Thiết bị khai thác mỏ, xây dựng, công nghiệp hóa dầu
  • Máy dệt, máy chế biến giấy và bột giấy
  • Thiết bị luyện cán thép, thiết bị hàng hải
  • Trục chính turbine gió, các máy móc vận hành liên tục

4. Lợi ích sản phẩm mang lại cho người dùng

  • Tăng sản lượng và thời gian chạy máy, giảm thời gian dừng máy không mong muốn.
  • Nâng cao độ tin cậy của toàn hệ thống vận hành.
  • Giảm chi phí vận hành và bảo trì dài hạn.
  • Giảm độ ồn, độ rung, nâng cao chất lượng môi trường làm việc.
  • Tăng tuổi thọ thiết bị, tiết kiệm chi phí đầu tư.

5. Những câu hỏi thường gặp về vòng bi tang trống SKF

Vòng bi tang trống hai dãy có tự lựa không?
Có. Đây là dòng vòng bi tự lựa, giúp bù trừ sai lệch trục rất tốt.

Vòng bi SKF 22322 E/C3 sử dụng cho môi trường rung động mạnh được không?
Hoàn toàn phù hợp, thiết kế chịu rung động và tải trọng lớn.

Tuổi thọ vòng bi có cao không?
Rất cao nhờ công nghệ SKF Explorer và vật liệu hợp kim đặc biệt chống mài mòn.

Cần chú ý gì khi lắp đặt vòng bi tang trống?
Cần tuân thủ đúng hướng dẫn lắp đặt, kiểm tra kích thước trục, lỗ lắp, sử dụng mỡ bôi trơn phù hợp.

6. Mua vòng bi SKF 22322 E/C3 chính hãng ở đâu?

Quý khách hàng vui lòng liên hệ trực tiếp Công ty Cổ phần Thương mại và Công nghệ TST Việt Nam – Nhà phân phối ủy quyền SKF tại Việt Nam:

Cam kết 100% hàng chính hãng – Đầy đủ CO/CQ – Giao hàng toàn quốc!

 

Online:0988.920.565 - Email: [email protected]

Nhà phân phối Ủy quyền SKF tại Việt Nam

Chúng tôi đảm bảo cung cấp hàng chính hãng SKF đầy đủ CO, CQ